electricité pour les nuls

Bonjour , je refait le circuit de mon regent, et j´ai besoin de votre aide !! J´ai 2 batterie75w chacunes, même année même modèle montées en parallele . un chargeur a 1 sortie un coupe circuit sur le + et un autre sur le -.
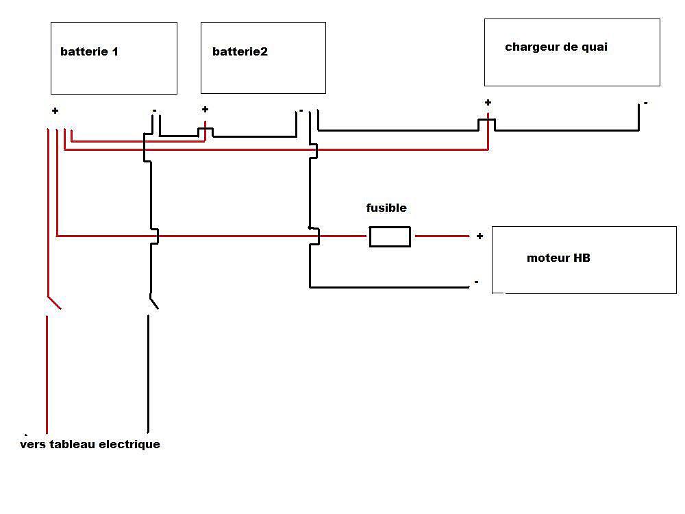
je vous soumet le schéma de mon futur montage , est il correct??

L'équipage
21 sept. 2013
21 sept. 2013

bueno.
Pour améliorer un peu il sera bon de prendre le négatif du chargeur sur une batterie et le positif sur l'autre.
Elles vieilliront mieux comme ça

21 sept. 201316 juin 2020

Merci pour la reponse je modifie mon schema !

21 sept. 2013

nickel.
bien la mise en // se fera de borne à borne et non pas en plein milieu d'un cable comme le montre ton schéma qui est, je l'espere, un schéma de principe, non?

21 sept. 201316 juin 2020

comme ça , c´est que j´y connais pas grand chose !!!

Autre problème , mon moteur HB a une sortie pour charger la batterie 12V 60W 5A , dans mon cas je branche où pour recharger mes batterie au moteur ???

21 sept. 2013

Vous rigolez les mecs, vous voulez fiche le feu au bateau? Les batteries sont identiques donc ça va mais elles ne vont pas le rester. Au bout d'un moment, celle qui aura le mieux vieillit se déchargera dans l'autre. Indépendamment de ça, quel intérêt à ce branchement? Il vaut les mieux les utiliser alternativement l'une après l'autre ou mieux, en garder une pour le démarrage et une pour le service. Si on veut pas s'emm... on en choisit une qui va servir à tout et l'autre dont la charge est surveillée est en réserve de la république. Si c'était si simple pourquoi il y aurait des chargeurs avec plusieurs sorties et des répartiteurs?

21 sept. 2013

non! c'est très sérieux et ce que tu dis est complêtement naze.
Un Répartiteur!!! avec ça tes batteries ne sont jamais chargées à fond!!!!
Chargeur avec plusieurs sorties !!!!inutile avec un cyrix.

Quand on veux cassé c'est très facile, aide plutôt stéfad a construire......

21 sept. 201316 juin 2020

je peux aussi faire ce montage , j´ai 2 chargeurs, par contre pour charger avec mon moteur HB je peux me brancher directement sur une des batterie non ??

21 sept. 2013

Bonsoir,

Je reste convaincu que de brancher 2 batteries en parallèle ne peut être que néfaste pour leur durée de vie.
De plus si un élément se met en court circuit sur une batterie, mauvais pour l'autre qui va se décharger dans la défectueuse.
Un commutateur 1 / 2 / 1+2 / OFF coute 30€.
Simple, sécurisant et pas cher.
Perso, jamais en parallèle, sauf éventuellement le temps de démarrer.

21 sept. 2013

Non, laisse tomber la séparation des batteries. En les branchant en // une fois pour toute tu auras une seule grosse batterie.
Ton avant dernier schéma est bon.
Ton hors bord joue le rôle d'un chargeur? Bien, alors branche le comme un chargeur : direct aux batteries (avec un fusible sur le + évidement) et voila.
Chaque chargeur aura donc une ligne indépendante et pour les consommateurs, ils passeront tous par ton tableau électrique pour être protégé par des fusibles.
Simple, fiable, c'est tout.

21 sept. 2013

Le risque du commutateur est de l'oublier.
Il est donc à installer entre la batterie moteur et le parc de service mais ici on ne parle que du parc de service.
Diviser les batteries je veux bien mais pour que le remède ne soit pas pire que le mal il faut que chaque batterie de service soit de 3 x la conso qui va être prise dessus.
C'est vite impossible ou disproportionné.

21 sept. 201321 sept. 2013

Chacun peut donner son avis sans que tu te sentes obligée de casser les autres... surtout sans arguments !

"Le risque, c'est de l'oublier" ? quel risque puisque tu n'en as pas de commut ??

As tu entendu parler des batteries qui explosent ? Et comment diminuer les risques.

Très cordialement.

21 sept. 201316 juin 2020

voila mon dernier schema ,

21 sept. 2013

euh, désolé, je ne voulais casser personne. Mes arguments sont les batteries (de capacité suffisante) à installer pour ne pas les faire vieillir prématurément, la gestion du couplage qui peut être source d'erreur, la complexité de l'installation et le cout.
"Le risque, c'est de l'oublier" ? quel risque puisque tu n'en as pas de commut ??" euh je réponds juste au conseil d'en placer un, justement. c'est tout.
Les batteries qui explosent peuvent tout aussi bien exploser seules (sans copines en //).
Donc voila, aucune envie de ma part de casser qui que ce soit ni d'imposer mon avis. On demande un conseil, je le donne.
bonne soirée.

21 sept. 201316 juin 2020

Bonsoir,

J'ai fait ça et ça marche super bien.

Le schéma (du net) est simple et explicite.

Par contre je l'ai fait avec 2 inverseurs, moins cher et au repos, mes batteries sont déconnectées, elles se reposent et aucun risque.

Bonne navs.


21 sept. 201321 sept. 2013

Bonsoir,
Le naze revient, il a lu ça "Les coupleurs de batteries Cyrix sont une excellente solution de remplacement pour les séparateurs à diodes. L'absence de chute de tension est le principal avantage." qui démontre bien qu'il NE FAUT PAS mettre les batteries en parallèle, c'est le coupleur qui le fait. Je constate aussi qu'il y en a d'autres (des nazes aussi sans doute) qui déconseillent de mettre les batteries en parallèle. Quant à casser, c'est sans doute aider stefad que de lui conseiller un montage potentiellement dangereux. Le feu est une des pires choses qui puisse arriver en mer. Sinon on peut aussi lui conseiller d'être très copain avec l'expert des assurances si le malheur arrive et s'il a pu s'en tirer.
Je suis allé voir le schéma d'Eauetgaz, il est très bien, il n'y a pas de risque de fausse manoeuvre et il utilise soit l'une soit l'autre, ce que je fais sur mon bateau mais c'est pas si bien car j'ai un robinet sur chaque plus et là, il y a risque de fausse manoeuvre.

22 sept. 201322 sept. 2013

Il est évident que si l’on n’a que deux batteries, elles seront séparées pour des raisons pratiques mais certainement pas pour des raisons de sécurité.
.
Le seul bateau que j’ai vu partir en flamme durant ma vie professionnel était un petit cata avec une seule batterie de 70Ah à bord alors qu’il y en a des milliers en circulation avec des bancs de 600, 800 1000Ah voir plus, tous en parallèle of course.
.
J’invite donc ceux qui aiment à se faire peur de lire les nombreux articles (sérieux) qui traitent du mécanisme de défaillance et des conséquences sur nos bonnes vieilles batteries….…..

22 sept. 2013

Merci Marinero,

Je me sens moins seul tout d'un coup...

(Je vais faire gaffe à la charge, et n'achèterai pas de solaire n'importe ou, mais chez un spécialiste...)

Huhuhu !!!

22 sept. 2013

les batteries en // explosent régulièrement c'est bien connu...

22 sept. 201316 juin 2020

C'est une caméra cachée, une blague, ou une évolution technologique que je n'aurais pas comprise?
Le dimanche de bon matin, le café à la main, j'ouvre mon pc, regarde ce qui se passe sur Héo et miséricorde, j'apprends que j'ai envoyé je ne sais combien de dizaines de bateaux, d'équipages, de familles vers une mort certaine.
Je finis mon café et je me flagelle.
Comme je semble être totalement ignare sur la basse tension, je te conseil en effet d'aller voir chez la concurrence. Je te propose même que nous y allions ensemble.
ici en petit parc en série parallèle, je pense que ça doit être pour faire une plus grosse explosion.
En suivant ce lien vous découvrirez qu'eux aussi vont voir leur vie changée ce dimanche : www.seatronic.fr[...]sea.php
Et on pourrait multiplier les exemples à l'infini.
Il y a des règles à respecter pour mettre les batteries en // (batteries identiques, neuves, du mêmelot) mais cela est parfaitement possible. Et heureusement.
Que ton installation te convienne c'est très bien, stefad pourra choisir de faire comme il veut avec tout ce qui lui a été dit sur le forum.

22 sept. 2013

bonjour stefad
.
les batteries en parallèle n'explosent pas bien entendu
mais si un élément d'une des batteries se détériore (ce qui arrivera forcément sauf à changer les batteries préventivement) les deux vont se décharger
.
en général sur un bateau on utilise deux parcs de batteries:
* un est dédié à l'électronique, la vhf, le pilote auto, les lumières ... on appelle souvent cette batterie "servitudes" il faut privilégier un type de batterie à décharge lente : ces batteries se déchargent sous faible ampérage mais peuvent être pratiquement vidées sans dégâts.
* l'autre est dédié au démarrage du moteur (et au guindeau si on en possède un électrique, on utilise des batteries de démarrage capables de fournir une forte intensité pendant un temps limité, les batteries de voiture du commerce sont parfaites
.
chaque circuit possède son coupe circuit individuel
.
un contacteur manuel permet de les mettre en parallèle pour permettre par exemple de démarrer le moteur si sa batterie est à plat ou d'utiliser le pilote si la batterie de servitude est déchargée
.
pour charger à partir du moteur il faut coupler les deux parcs de batteries car le moteur ne fournit qu'une seule sortie, c'est le rôle d'un système astucieux nommé Cyrix, un micro contrôleur détecte la charge et couple les deux parcs selon un algorithme qui privilégie la batterie du moteur
.
pour charger à partir d'un chargeur de quai l'idéal est d'avoir deux sorties mais avec un Cyrix un chargeur à une seule sortie est également utilisable
.

bien cordialement Aupilau

22 sept. 2013

+1 avec aupilau. Je répondais bien sur en partant du principe que ce que stefad nous présente est son circuit de service.
Maintenant si c'est le parc service + moteur, alors oui, 2 parcs indépendants donc une batterie service et une batterie moteur.
Cela pour éviter de tirer sur la batterie qui doit démarrer le moteur afin d'être sur qu'elle soit chargée lorsqu'on a besoin d'elle.
Si c'est le cas, il va falloir être très économe en énergie car une batterie de 75Ah ne va pas pouvoir alimenter grand chose. Il te faut donc commencer par faire ton bilan énergétique pour voir si tout ça correspond bien à tes besoins.
Sinon, tu vas descendre trop bas dans la batterie de service et elle va vieillir prématurément. D’où l’intérêt de la mise en parallèle dont il me semblait que ce fil en était l'objet.
A toi donc de me confirmer que ta demande correspondait bien à demander la confirmation qu'une mise en parallele se faisait bien comme ça et non pas à présenter ton schéma électrique complet, auquel cas il manque 2 ou 3 bricoles.

22 sept. 2013

Aupilau, ton raisonnement est basé sur une batterie moteur et une batterie de service.
Comment faire si tu as une batteries moteur et besoin pour des raisons de consommation de deux voir trois batteries de service ?
Comment seront branchées les batteries de service.
Quid sur un bateau de grande traversée ou là c'est 6 à 7 batteries de service ?

22 sept. 2013

à AICA : je ne sais pas ....
je parle de ce que j'ai à mon bord et du pb àdeux batteries de stefad

22 sept. 2013

Du coup LRSolaire on écrivait en même temps.

22 sept. 201322 sept. 2013

Bonjour,

Il serait peut être judicieux de demander à stéfad de préciser l'utilisation de ses 2 batteries et son besoin en énergie avant de supposer ceci ou cela.....
Si il parle de 2 batteries, on peut supposer qu'il s'agit d'un montage basique et non d'une grosse unité avec une usine à gaz à consommation monstre.
Alors stéfad, si tu peux préciser (moteur, appareils à bord...)?

Cordialement.

22 sept. 201322 sept. 2013

Ben en même temps il me semble que ça serait un peu exagéré de monter une batterie moteur pour démarrer son hors bord.

22 sept. 2013

@LRsolaire : tout dépend si le hors bord peut être démarré à la main ...

22 sept. 2013

Sur un régent, c'est souvent un petit moteur.

22 sept. 2013

Ben on parle d'un regent qui doit être propulsé par un 9.9.
Enfin il me semble, voila que je vais me mettre à douter de tout ce dimanche.

22 sept. 2013

De plus sur le schéma de départ il parle vers tableau électrique et pas vers le moteur et le tableau.
Bon , bien sur tout ceci n'est qu'interprétation, et on attend la réponse de stefad

22 sept. 201322 sept. 2013

Les exemples "pro-parallèles" qui sont donnés concernent toujours des batteries identiques et là, tout le monde est d'accord, ce que je dis c'est qu'elles ne vont pas le rester. Petit à petit, une faiblira et la forte se déchargera dedans, au début ça s'équilibrera sans problème mais à force? Je n'ai pas parlé d'explosion mais de feu. Le chauffage suite à un débit constant et incontrôlé n'est jamais bon, ça peut dégénérer. Le jour où une sera morte, on changera les deux? Et avant de mourir, elle aura bien fait souffrir l'autre. Bonjour l'économie pour un montage POTENTIELLEMENT dangereux. En faisant une recherche sur le sujet, je tombe sur la page de Voilelec, comme toujours bien documentée et bien argumentée: www.voilelec.com[...]bat.php et bien il déconseille le branchement parallèle. Je crois qu'il fait bien le tour de la question.

22 sept. 201322 sept. 2013

Il me semble que tu as écrit:
"Les batteries sont identiques donc ça va mais elles ne vont pas le rester.".
et maintenant tu dits:
"qui sont donnés concernent toujours des batteries identiques et là, tout le monde est d'accord, ce que je dis c'est qu'elles ne vont pas le rester.

www.victronenergy.fr[...]tes.pdf

Je ne te comprends pas, tout le monde est d'accord ou pas ?
Quand tu nous dit qu'elles ne vont pas le rester ? pourquoi et comment si bien sur le câblage est bien fait ?
Que dit VICTRON à ce sujet ?

Quand sur voilelec il parle de batterries qui divergent c'est bien parcequ'elles ne sont pas tjs en //:
"Ce serait possible très simplement que si les deux batteries étaient strictement identiques, neuves, et de même lot de fabrication.
Le problème vient du fait que les deux batteries vont rapidement diverger, la moins dégradée se videra en permanence dans la plus faible (effet de fuite électrique). Une batterie bien chargée mise en parallèle sur une batterie à plat donne deux batteries à plat, le transfert d'énergie se fait avec des courants élevés et un très mauvais rendement."

22 sept. 2013

Concernant Voilelec, je l'ai relu et tu as raison mais, à mon avis, même branchées en permanence, elles ne vont pas rester dans le même état parce qu'elles ne sont pas strictement identiques à la fabrication. Tout procédé industriel tolère une certaine divergence de ses produits. Une batterie sulfatée, ce n'est pas rarissime, et ça devient un beau consommateur. Le plus simple, le plus sûr et le plus économique me semble être le montage proposé par Eauetgaz ou prendre une batterie adaptée 120AH me semble pas mal. Nos bateaux sont quand même laissés sans surveillance "un certain temps".

22 sept. 2013

« Une batterie sulfatée, ce n'est pas rarissime, et ça devient un beau consommateur »
.
Et par quelle théorie ou mécanisme une batterie sulfatée deviendrait un consommateur !!
Ce qui est vraie est que la capacité totale du banc sera amoindrie mais ne sera pas limité à la batterie la plus faible (comme à un montage en série).
La batterie la plus faible contribuera moins mais contribuera.

22 sept. 2013

Par court-circuit interne du aux cristaux de sulfate ou à des dépôts divers en fond de bac.

22 sept. 2013

dans la pratique, on fait avec...

si vraiment ça te semble problématique, échange tes batteries de place tous les 6 mois... :pecheur:

23 sept. 201323 sept. 2013

Mais sur le bateau, elles sont toujours en mouvement alors.... ;-)

24 sept. 2013

Je ne pensais pas declencher tant de polemique !! C'est bien 2 batteries de service , mon regent est propulsé par un petit hors bord sans demarreur mais avec une connexion pour charger une batterie celon la notice du moteur :12V 60W 5A .

25 sept. 2013

Faut rien regretter, c'est bien ainsi tu as matière à réflexion pour te faire une opinion. Même si la discussion a parfois été un peu vive, elle est quand même restée ou redevenue correcte. Je ne peux toutefois pas m'empêcher de te dire: tu veux deux batteries pour en avoir au moins une de bonne, en parallèle tu risques d'en avoir aucune. La solution donnée par Eauetgaz me semble vraiment la meilleure.
Salut à tous

Les Eclaireurs près d'Ushuaia, Argentine.

Phare du monde

  • 4.5 (44)

Les Eclaireurs près d'Ushuaia, Argentine.

2022