Coupe batterie toujours sur ON

Bonjour
Chose étonnante aujourd'hui.
Mon coupe batterie moteur est toujours sur ON .
J ai beau le tourner a droite , a gauche , etc quand je mets le contact sur le panneau se controle moteur il y a toujours le jus .
Mon oceanis est tres sain a l intérieur , je ne pense pas a de l oxydation, se peut il qu un coupe batterie type clé ( poignée rouge ) puisse avoir un probleme mécanique ?

Bon je vais devoir le démonter pour voir je pense ...
Au total j en ai 3 des coupe batterie.
Un noir , un rouge pour le moteur et un autre rouge pour la batterie servitude.
C est déjà arrivé a quelqu'un qu un coupe batterie reste sur ON quelle que soit la position de la poignée ?

Merci .

L'équipage
16 nov. 2025
16 nov. 2025

Il n'y aurait pas un panneau solaire ou MPPT connecté sur la batterie en aval d'un coupe batterie?


aureille64:Il y a effectivement un régulateur de panneau solaire ·le 22 nov. 16:22
16 nov. 2025

Bonjour Aureille

Deux pistes:
- La barrette de contact est restée collée sur les contacts. Il faut donc le coupe batterie.
- Ta poignée est désolidarisée de son axe, au milieu de la poignée tu as peut être un cache dessous un écrou retires les deux afin de vérifier si le trou n'est pas "ovalisé".

Le Moko


16 nov. 2025

Salut,
A aureille64,
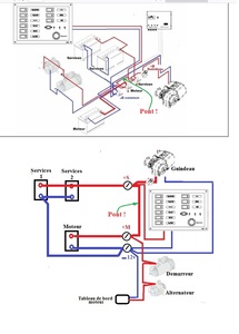
C'est le schéma électrique originel de Beneteau qui veut celà...
Quand tu regardes le schéma électrique, il y a un pont entre l'utilisation batterie moteur et utilisation batteries services.
Ce qui fait que, si tu coupes le seul (+) coupe-batterie moteur , le tableau de bord est toujours alimenté par les batteries services !
l'inverse est également identique: si tu coupes le seul (+) coupe-batterie services , le tableau de bord est toujours alimenté par la batterie moteur !
Donc, D’après le schéma Beneteau, pour ne plus alimenter le tableau de bord en (+) , il faut mettre les 2 coupes batteries (+) Moteur ET Services sur "ON".
Nota: Inutile de te dire qu'à mon humble avis, ce schéma sur les coupes-batteries ne respectent pas les directives de la D245; C’est un système dangereux...
Mamita


Tramp:Haha ce montage est incroyable!Sur les bateaux normaux on met un 3eme coupe batterie 1+2 pour faire ce pont, mais eux non. J'avais jamais vu ça, bien trouvé !·le 16 nov. 22:05
Toby64:je ne saisis pas le schema ! du coup, la batterie dite moteur n'est pas plus moteur que la servitude et inversement ?·le 16 nov. 22:13
zouip:Les schemas électriques Beneteau des années 2000 sont incohérents : pont -comme sur ton schéma- puis deux pages plus loin relai de charge en lieu et place ; il faudrait que Oreille64 donne le modèle/année de son bateau·le 17 nov. 15:36
16 nov. 2025

Merci a tous pour vos réponses.
Bon alors selon toi Mamita c est le plan elec normal chez Beneteau .
Je vais regarder demain au bateau si en coupant aussi le coupe batterie de servitude je n ai effectivement plis le tableau de commande moteur alimenté .

J en viens a me demander a quoi sert le coupe batterie moteur car si meme en le coupant il y a encore du jus ca sert a quoi ? ...


16 nov. 2025

Bonjour Aureille

Sauf à avoir acheté le bateau il y a 24h, j'imagine que la manipulation est courante et que auparavant tu n'avais pas le problème.
Ou tu n'as jamais remarqué le problème ?

Le Moko


16 nov. 2025

J ai le bateau depuis 1 mois ...
Le bateau est branché au 220 sur le quai.
Je coupais apres chaque utilisation le coupe circuit moteur quand je quittais le bateau .
En fin d après-midi aujourd'hui nous etions dans le cockpit et j ai vu les voyants du panneau de controle moteur allumés alors que j avais coupé les batteries moteur .
C est la que je me suis rendu compte que ce coupe batterie moteur ne coupait en fait pas l électricité.
J essaierai demain en retournant au bateau de couper le coupe circuit moteur ET servitude pour voir si le panneau de contrôle moteur s éteint bien .
Si c est le cas et bien ca voudra dire que la batterie moteur et la batterie servitude sont bien en parallèle.
L elec en plus c est vraiment pas mon truc je suis une bille !

Ca me fait un peu psychoter de savoir que si les deux batteries sont bien en parallèle, l une peut vider l autre...

J ai un booster que je prends toujours en 4x4 , je vais le mettre dans le bateau si jamais je n arrivais pas a démarrer le moteur un jour en rentrant au port .

Si je devais utiliser le booster , je le branche bien sur la batterie moteur du coup ?


Imarra:Vérifier quand même qu’il n’y ai pas un coupe batterie supplémentaire généralement appelé « secours » qui serait resté sur ON.Ce coupe batterie peut être placé dans un compartiment à part des des coupes batteries usuels.·le 16 nov. 23:19
Peace and Love:Couper le 220 quand on quitte le bateau cela va sans dire ?·le 17 nov. 09:04
16 nov. 2025

Salut,
Re aureille64,
Vérifie demain !
"...Si c est le cas et bien ca voudra dire que la batterie moteur et la batterie servitude sont bien en parallèle.
(R) en réalité c’est plus complexe; dans ton parc services, tu as déjà 2 batteries en parallèle en permanence, et si les 2 coupes-batteries (+) (moteur et services) sont sur "OFF", c’est bien les 3 Batteries qui seront en parallèles !

Ca me fait un peu psychoter de savoir que si les deux batteries sont bien en parallèle, l une peut vider l autre...".
(R) A la charge , avec alternateur ou chargeur de quai : pas de problème...
En quittant le bateau, si tu mets le CB moteur (+) sur "ON", tout le circuit électrique est sur le parc services.

"...J ai un booster que je prends toujours en 4x4 , je vais le mettre dans le bateau si jamais je n arrivais pas a démarrer le moteur un jour en rentrant au port . Si je devais utiliser le booster , je le branche bien sur la batterie moteur du coup ?...".
(R) supposons que tu as une batterie moteur faible, défaillante; le parc services en // devrait pouvoir assumer le démarrage.
Le booster devra être branché sur la batterie moteur...".

Nota : Comme moindre mal, et afin de gérer automatiquement la charge et décharge entre la batterie moteur et le parc batterie Services, javais déjà suggère de mettre un cyrix-ct 120A sur le câblage du "pont" (voir schéma ci-joint).

A Tramp:Haha ce montage est incroyable!Sur les bateaux normaux on met un 3eme coupe batterie 1+2 pour faire ce pont, mais eux non,
(R) Exact, il existe des coupleurs de batteries manuels: 1 , 2 , 1+2 (pas terrible non plus !)
Mamita


17 nov. 2025

Si c'est de série tout est possible. Les mecs ont peut être confié la conception du truc à IA faut vivre avec son temps


17 nov. 2025

Bonjour.
Une idée peut être saugrenue, il n'y a pas un fusible en// sur ton coupe batterie moteur pour alimenter une pompe de cale ou autre (horloge) quand les CB sont coupé?
JC


17 nov. 2025

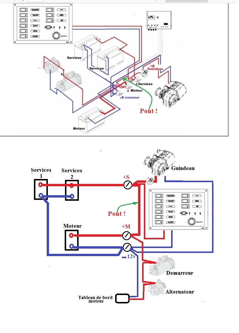
Bonjour,c'est curieux sur mon oceanis j'ai les mêmes coupes circuits.
A gauche la masse noire puis + moteur rouge au milieu et + servitude rouge à droite pour mes 2 batteries servitude.
Quand le cc moteur est sur off j'ai l'impossibilité de démarrer le moteur.


17 nov. 2025

a mon avis pour ne plus avoir du courant sur le tableau ni nulle part on coupe la masse simplement


zouip:je pense que ce qu' il souhaite c' est , quand il quitte le bateau, avoir du courant sur les servitudes (frigo notamment) et pas de courant sur le moteur·le 17 nov. 09:49
17 nov. 2025

C est tout a fait ce que je souhaite oui .
Pouvoir couper le coupe batterie moteur et donc ne plus pouvoir démarrer le moteur et garder le coupe circuit de la batterie servitude ouvert eg ainsi avoir le frigo ,les lumières etc qui fonctionnent.

Je n ai le bateau que depuis 1 mois et il me semble que c etait comme.ca avant .

Je me demande si le coupe batterie moteur ( celui du milieu sur un oceanis ) n a pas un soucis .

Je sens bien les clics quand je tourne la poignée mais est ce que ce fonctionne mécaniquement correctement ...

Je vais voir ca tout a l heure.


LeMoko:Oui revoir mon conseille au dessus c'est celui qui souffre le plus et pouvons imaginer que c'est pas le plus qualitatif du marché. Déjà remplacé sur l' océanis d'un copain.·le 17 nov. 13:42
17 nov. 2025

Perso, j’en ai ou il faut mettre la poignée en diagonal pour couper.


17 nov. 2025

C est a n y plus rien comprendre !
Je suis retourné au bateau cet après-midi et tout fonctionne bien comme ca doit fonctionner !
C est a dire que les coupe batterie font leur job normalement !
J ai pourtant fais les mêmes manipulations qu hier !!quand je coupe le CP moteur je n ai plus de jus au tableau moteur , quand je coupe servitude je n ai plus rien au tableau a la table a carte , tout est OK alors qu hier ca ne l etait pas .
Bref je suis pas fou !!
Merci pour vos réponses...


LeMoko:Ton coupe circuit moteur reste bloqué par moment le principe c'est quand tu tourne tu viens mettre en pression une barrette sur deux contact et quand tu retourne le ressort repousse la barrette, alors collage de la Barette ou ressort hs. ·le 17 nov. 17:21
Calypso2:solution demonter les coupe batteries et voir et nettoyer le vert de gris ·le 17 nov. 20:34
17 nov. 2025

Oui ca doit etre ça.
Je vais voir si ca recommence et je le changerais si besoin .


17 nov. 2025

Aureille64

En principe cela ne se répare pas seul.
Alors pourquoi attendre, le disfonctionnement peut être aussi dans l'autre sens, mauvais contact risque d'incendie ou de coupure au moment ou tu en auras le plus besoins.

Le Moko


Lorem Ipsum:"Les pannes qui s'en vont toutes seules reviennent en général toutes seules"·le 17 nov. 21:21
17 nov. 2025

C est exact . Il est préférable de s'en occuper ...


17 nov. 2025

Les coupe-batteries DOIVENT être bipolaires.
Ainsi une seule manipulation ouvre les deux câbles (+ et -).


Dim31:Salut Polmar. Pour que je meure moins idiot, peux-tu développer le pourquoi ? Moi je me disais bêtement que si je coupe le +, ça ouvre le circuit et la batterie ne peut plus rien faire... ·le 18 nov. 11:22
Polmar:Je peux répondre "parce que!", mais avec à l’appui de cette affirmation le V de l’article 245-5.22 de la division 245 et le 9.1 de la norme NF EN ISO 13297.·le 18 nov. 12:39
FredericL:On peut très bien avoir un coupe circuit unipolaire sur chaque pôle. ·le 22 nov. 17:05
17 nov. 2025

J'ai déjà eu ce cas là, sur un très vieux coupe batterie parmi d'autres coupe batteries vieux également.

Quand j'ai vu ça, je me suis imaginé cette merde en mer : j'ai tout changé. Même pas démonté pour voir, poubelle.

Je te conseille vivement de faire pareil.


18 nov. 2025

certains coupe batteries sont simple a demonter et a entretenir ,pour ma part tous les deux en moyenne je demonte et astique .par contre toutes les connexions c'est polie chaque année et il y a toujours de quoi faire ..


28 déc. 2025

Alors le probleme a été solutionné en changeant le coupleur séparateur qui restait collé apres l avoir testé.

Mais il y a quand meme une petite manipulation a faire .
Pour rappel de configuration des coupe batterie .
Mon oceanis 281 est équipé de 3 coupe batterie.
Un noir pour la masse
Un rouge servitude
Un autre rouge moteur .

Après changement du coupleur séparateur, le probleme persistait. C est a dire qu en ne coupant que le coupe batterie moteur et en laissant les deux autres sur on j avais encore du courant au tableau de démarrage moteur a l extérieur au cockpit.

Pour solutionner ce soucis et ne plus avoir de jus au tableau de démarrage moteur dans le cockpit il faut couper les 3 coupe batterie cités plus haut et ne remettre sur ON que le coupe batterie servitude et le coupe batterie de la masse .
Laisser le coupe batterie moteur sur OFF .
Et la miracle , plus de jus au tableau de démarrage moteur dans le cockpit mais vu que le coupe batterie masse et servitude sont sur ON , bien sûr le frigo fonctionne, la lumière etc etc aussi .

Peut etre que cela pourra servir a d autres novices en elec comme moi ...


aquilalaroche:J'aurais tendance à dire que ce n'est pas normal. Aurais-tu un schéma précis de ton installation avec les connexions aux batteries et aux CC ?·le 28 déc. 17:12
aureille64:Non je n ai pas de schéma ·le 29 déc. 08:39
Imarra:Ce n’est absolument pas normal et il faut continuer l’investigation, il y a vraiment un probleme 😡·le 29 déc. 09:02
aquilalaroche:Donc il faut que tu fasses ce schéma avec les références des CC utilisés et les positions des câblages. ·le 29 déc. 09:11
Imarra:Ce serait par contre intéressant de connaître l’issue de ce mystérieux phénomène 😀·le 29 déc. 09:16
28 déc. 2025

🤔 Peut-être un plus fonctionnel et sécuritaire pour les coupe-batteries bipolaire?😉😉


29 déc. 2025

Tant que je n ai plus de jus au tableau de démarrage moteur une fois le coupé batterie moteur coupé ca me va .
C est un pro qui est venu sur le bateau , meme si je le connais tres bien s il avait constaté une anomalie il ne se serait pas gêné pour me facturer des heures pour remonter dans les règles de l art ...


aquilalaroche:Et bien non. Je suis désolé mais ce n’est pas normal.Ne te réfugie pas derrière le fait que la modification a été faite par un pro.MAMITA a donné une modification à faire en remplaçant le câble entre les CC par un cyrix. Tu devrais faire ça. Et aussi, ajouter un isolateur galvanique en entrée du 220V du quai vu que le bateau semble être constamment branché. Ça premunira ton installation des défauts de terre.Mais tu fais comme tu veux. ·le 29 déc. 22:29
29 déc. 202529 déc. 2025

Sur notre Océanis 331 nous avons remarqué que les tensions batterie Moteur et batteries Servitude lues sur le régulateur du panneau solaire Perfect Suitor étaient toujours les mêmes...
J'ai aussi vu que le tableau électrique était alimenté quand le coupe circuit noir (masse) et un seul des coupe-circuits rouges (Moteur ou servitude) étaient sur ON...
Je n'ai pas vérifié au tableau moteur ni essayé de démarrer le moteur en ayant le coupe circuit moteur sur Off...


29 déc. 202529 déc. 2025

En effet c’est normal, sur le mien également car il y a un pont voir schéma en haut du fil entre les deux plus. Quand je suis au moteur je laisse les deux plus sûr on. Et à la voile je met le plus batterie moteur sur pff afin d’être sûr de ne pas pouvoir décharger ma batterie moteur en navigation ou au mouillage.
Ce pont permet de démarrer également sur les servitudes si besoin.


30 déc. 2025

Ce pont, où aussi appelé démarrage de secours, ne devrait être utilisé uniquement en cas de défaillance de batterie moteur. Il n’est pas toujours bon de connecter elles des batteries différentes, ce qui peut être le cas entre batterie de démarrage et servitudes.