[charge] Supprimer répartiteur a diodes

Bonjour
Maintenant équipé d'un pilote automatique, je vais subir les affres de la gestion de la charge des batteries.
Actuellement, 2 batteries servitude de 60AH, + 1 batterie moteur de 60Ah, chacune avec un coupe-circuit. Elles sont toutes 3 chargée par l'alternateur basique du Yanmar 1 GM, sans diode pour relever la tension.
Autant dire que si elles ne passent pas par un coup de chargeur, elles ne se rechargent quasiment pas.
En attendant d'améliorer tout cela (relais et régulateur externe), est-il possible de "supprimer" le régulateur, en chargeant toutes les batteries, et en arrêtant la charge par les coupe-circuit ? -->
Démarrage sur la batterie moteur, lui laisser une période à définir de recharge, puis l'isoler et mettre les servitude dans le circuit...
Faut-il ajouter des coupes-circuit pour gérer charge / utilisation (autant mettre des relais...)

L'équipage
10 nov. 2016
10 nov. 2016

c'est faisable avec les interrupteurs coupleurs de batterie (1 - 2 - 1+2)
mais le plus simple serait quand même de mettre un Cyrix (environ 40€) qui gèrerai la charge seul, si jamais les 2*60ah de servitude sont séparés, il faudrait rajouter un coupleur pour choisir laquelle sera mise à charger par le cyrix, ou alors monter 2 cyrix..

10 nov. 2016

Bonjour,
les spécialistes vont se réveiller,
en attendant de mon côté j'ai viré le répartiteur à diode et mis un coupleur cyrix entre la batterie moteur et la servitude. j'ai conservé mes coupes circuit.
cdt

10 nov. 2016

Il y a un truc qui me gène avec les relais : Que se passe t-il quand 1 batterie est à 100%, et les autres à beaucoup moins ?
Typiquement, mes servitudes sont à 50%, je veux les recharger. A priori, elles sont isolées de la batterie moteur.
Je démarre le moteur, la tension augmente, le relais couple les batteries, non ? Il me semblait que c'est une chose à bannir, de coupler les batteries différemment chargées ?

10 nov. 201610 nov. 2016

Si les batteries ne sont pas en parallèle à la base il vaut effectivement éviter de les coupler, les coupleurs permettent de choisir 1 ou 2 ou 1+2 donc ça devrait le faire... le problème c'est que ça oblige à une manip de la part de l'utilisateur, c'est pas très pratique.
Le plus simple serait de mettre ces 2*60ah de servitude en parallèle, sinon rajouter un deuxieme cyrix ce qui donnerai :
Bat moteur -> cyrix -> servitude 1 -> cyrix -> servitude 2

Le cryix déclenche le couplage en fonctione du voltage, lorsque le moteur est chargé le cyrix s'ouvre et charge la 1ere servitude, lorsque la servitude 1 est chagée le deuxième cyrix s'ouvre et recharge la deuxième..

10 nov. 2016

Bonjour,
Pourquoi c'est une chose à bannir ?!!
Quand on couple (mise en //) deux batteries, la plus forte va débiter dans la plus faible jusqu'à un équilibre qui est fonction de la capacité des batteries et du niveau de charge restant dans la plus chargée, mais rien de grave....Ensuite, le moyen de charge va régler cela, si on lui laisse le temps.
Pour répondre à ta question, tu peux virer le répartiteur à diode en mettant un relai type Cyrix entre bat moteur et bat servitude( deux en //), cela va te permettre de supprimer la perte de puissance liée au répartiteur.Comme tu as rajouté un consommateur( pilote), il faudra faire tourner le moteur plus longtemps.Tu peux te passer de Cyrix et de répartiteur en mettant des coupes-circuit sur le circuit de charge et en commutant à la main, mais franchement...
J'utilise un Cyrix entre deux batteries de servitude (pilote,frigo d'un coté et instruments, feux de nav de l'autre) depuis 5 ans, bien souvent une est bien plus déchargée que l'autre. Pas de soucis et cela se charge bien à condition de laisser le temps.

Gilles

10 nov. 2016

bonjour de quelle type de cyrix parler vous ? je suis dans le même problème que bmayer je dispose d un répartiteur séparateur de charge et ça ne fonctionne pas, j ai ma batterie servitude qui ce charge pas bien du tous , du coup j ai mis mes batteries en parallèle et ajouter un coupe circuit mes je comprend pas pourquoi ça ce charge pas avec mon séparateur répartiteur . cdt

10 nov. 2016

Je ne saurais dire pour votre installation pourquoi cela ne marche pas, peut être parcequ'avec vos deux batteries en parallèle la tension reste trop élevé et vous "n'excitez" pas assez l'alternateur...
Pour le cyrix je parle de ça : www.victronenergy.fr[...]mbiners
Ce sont tous les mêmes (niveau fonctionnement) la différence est la capacité de batterie (l'amperage qu'ils peuvent supporter) que l'on peu monter derrière

10 nov. 201610 nov. 2016

En série ? Heureusement que tu précises, je les aurais mis Bat moteur->cyrix1->Bat1 et Bat moteur-> cyrix2->Bat2
Les batteries de servitude sont identiques et me semblent avoir été changées en même temps. Je vais conserver le couplage entre elle via les CC, elles feront ainsi un seule batterie virtuelle, et je mettrais un cyrix.

10 nov. 2016

Je ne retrouve plus le lien qui expliquait techniquement pourquoi en série plutôt qu'en parallèle (c'est une histoire de tension de déclenchement), c'était sur "plaisance pratique" mais effectivement le plus simple est de ne faire qu'un seul parc de batterie de servitude géré par un seul cyrix

10 nov. 2016

J'ai un doute : Le cyrix se branche bien en amont des coupes-circuit ? Pas sur les batteries ?

10 nov. 2016

j'ai retrouvé le lien, en fait peu importe le placement, ça permettra juste de hiérarchiser l'ordre de charge, la question ne se pose plus si vous ne faites qu'un parc servitude de 60ah
www.plaisance-pratique.com[...]3-parcs

10 nov. 201616 juin 2020

En amont ou pas peu importe, une fois le coupe circuit ouvert une des "pattes" du cyrix se retrouve déconnectée et il n'agit plus...
Je le mettrais quand même avant le coupe circuit par principe...

10 nov. 2016

C'est ce que je vais faire, hormis qu'il y a 2 batteries de servitude, avec chacune son coupe-circuit.

10 nov. 2016

Les 2 mon colonel

10 nov. 2016

Mouais, je vais donc les mettre réellement en //

10 nov. 2016

et vous utiliseriez le coupe circuit pour choisir laquelle se retrouve derrière le Cyrix ou elle seraient en parallèle ?

10 nov. 2016

Si elle sont en parallèle le cyrix chargera les deux sans différenciation (en fait il verra une batterie 12v 120ah), donc no soucy, c'est la solution que je choisirai mais en mettant un seul coupe circuit derrière le parc de batterie (les 2x60ah) puisque de toute manière si en parallèle les ampères s’éparpilleront de manière égal entre les deux (principe des vases communicants)

Par contre si vous garder une configuration avec 2*60ah indépendantes que vous couplez au besoin, il faudra effectivement un coupe circuit entre chaque batterie et le cyrix tout en faisant attention de ne jamais les mettre en parallèle sous peine d'en vider l'une dans l'autre.. ça me parait plus compliqué en installation et en utilisation...

10 nov. 2016

Il reste à faire le choix entre un répartiteur sans chute de tension et le coupleur ( cyrix ). Le répartiteur est plus cher, par contre, il a l'avantage de charger servitude + démarrage dès le démarrage du moteur. Alors que le coupleur attend que la batterie moteur soit rechargée avant de charger la servitude.
Ce délai est peut-être court ( 1/4 h, 1/2 H ??? ) mais quand on met le moteur juste pour les entrées / sorties de port, c'est, à mon avis, un aspect à ne pas négliger.

10 nov. 2016

Tu as mesuré la tension de sortie de l'alternateur à mi régime moteur, et la chute de tension de ton répartiteur ?

10 nov. 2016

Si la question est pour moi : pas de différence entre la sortie de l'alternateur et le répartiteur.
Avec l'ancien répartiteur à diode : à peu près 0.8 V d'écart.

10 nov. 201610 nov. 2016

Non papaet on s'est croisé, c'est pour bmayer !

mais justement ça montre bien l'intérêt des répartiteurs "modernes", et je partage ton avis

10 nov. 2016

Perte de 0.7 Volt

10 nov. 2016

Que se passe t-il quand la batterie moteur est chargée, et qu'on lui rajoute un longue séance de charge de la servitude ?
Comment va t-elle supporter cette période pendant laquelle elle va recevoir une tension / intensité de charge, alors qu'il faudrait qu'elle reçoive une tension / intensité de floatting ?

10 nov. 2016

Votre alternateur est régulé ? dans tout les cas lorsque le cyrix s'ouvre il "déconnecte" virtuellement la batterie moteur et c'est la tension de la batterie de servitude qui est appliqué au bornes de l'alternateur et donc déclenche la charge qui sera envoyé à celle-ci et non la batterie moteur...
Attention mes études d'électronique sont loin et je suis loin d'avoir la science infuse, je peux me tromper..

10 nov. 2016

et non.. la servitude est déconnecté lorsqu'il est fermé.
Une fois que la batterie moteur atteint le seuil (14.5v il me semble) il s'ouvre (même principe qu'un interrupteur) et laisse passer les ampères vers la batterie de services, du coup la tension appliqué aux bornes de l'alternateur et celle de la batterie de service et il débite donc plus...

10 nov. 2016

Quand il s'ouvre, il déconnecte la servitude, non ?
A moins de faire un branchement de l'alternateur sur la servitude, et la broche 87 du cyrix également ?

10 nov. 2016

My bad ! j'ai inversé ! lorsqu'il s'ouvre il déconnecte, et lorsqu'il ferme il connecte.. vraiment désolé...

10 nov. 2016

J'ai resolu le problème en mettant un répartiteur sans chute de tension en parallèle avec le répartiteur d'origine avec chute de tension. Un petit interrupteur de mise en service du modèle sans chute de tension permet d'avoir deux niveaux de charge, un fort si nécessaire et un normal qui me sert de floating pour les longues périodes de moteur.

10 nov. 2016

Quel que soit le montage, une batterie ne reçoit en ampère que ce qu'elle a besoin, parfois moins, jamais plus, peu importe les centaines d'ampères débités par l'alternateur.

10 nov. 2016

Tu me rassures, Thorlak

10 nov. 2016

Alors pourquoi tu dis que tes batteries ne se rechargent pas ?
Tu penses que ou tu as mesuré ?

10 nov. 2016

Il ne faut jamais ouvrir un coupe-circuit lorsqu'il est seul en charge.
par contre rien ne vous interdit de fermer les 3 coupe-circuits en même temps, puis les ouvrir 1 par 1 tout en laissant toujours un coupe-circuit fermé.

10 nov. 2016

Je m'en doutais un peu...
Non, j'en étais certain.

10 nov. 2016

1 rele commande pour le 61 de l'alternateur trois interrupteur e le jeu sont fait

10 nov. 2016

Corrado :
il y aurait moyen d'être plus clair ?
D'autant que je ne crois pas avoir de 61 sur l'alternateur.

10 nov. 2016

Je pense que Corrado aura voulu écrire "...... commandé PAR le 61 de l'alternateur....." mais on n'écrit pas toujours ce qu'on veut :mdr: avec le matériel moderne !
D'autre part 61 est aussi appelé D+ par certains constructeurs . C'est la borne excitation .
Il y a une tension de 13 à14v sur cette borne dès que l'alternateur débite .
Le système est rustique mais fonctionne ( attention avec certains relais ayant une tension de maintien très basse le relais reste collé même après arrêt du moteur si le contact n'est pas coupé )

10 nov. 2016

j'ai le m^me probleme avec un vieux repartiteur à diode et 3 batteries independante l'une des autres avec 3 coupe circuit (ce qui est tres securisant )

ma petite solution retenu mais non realisé encore ,c'est de tout simplement remplacer le vieux repartititeur par un neuf avec diode de compensensation à 1 entrée et 3 sorties cout (156€)

10 nov. 201610 nov. 2016

Bonjour Bernard,

Si tu as un répartiteur de charge, le fil B+ de l'alternateur doit arriver dessus?
Alors le plus simple tu installes ton cyrix en lieu et place de ce répartiteur le fil B+ sur 87, le cable qui allait à ta batterie moteur lui aussi sur (87) et ensuite tu relies le cable qui allait à la batterie 2 à (30) et basta!
PS:Ne pas oublier de tirer un petit fil pour l'alime en négatif du relais...sinon ça marche moins bien!
Gégé

10 nov. 2016

Merci Moby. J'avais bien compris le montage. C'est juste qu'il y a aussi une batterie 3. Et les batteries 2 et 3 sont couplées en aval de leurs coupe circuit respectifs. Donc, je vais considérer qu'elles forment une et une seule batterie virtuelle. Le relais alimentera les 2 batteries, en aval de leurs CC

10 nov. 2016

Yes!

10 nov. 2016

Perso , j'ai fait un montage "alambiqué à la graisse d'oie" après avoir essayé beaucoup de choses , ça a l'air d'aller mieux , mais de toutes façons il y a toujours THE problème : sur un voilier on veut utiliser les voiles :mdr: et ça , ça fout tout parterre .Les bateaux à moteur , eux , ils ont toujours des batteries chargées , mortes ou pas loin des fois , mais chargées .
Après panneaux solaires , éoliennes ...ça va mieux , mais le moteur seul ............ :-(

10 nov. 201616 juin 2020

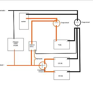
Je viens de revoir mon installation aussi, j'ai maintenant:
une batterie moteur 74ah, avec un coupe circuit sur le +. Deux batteries servitude de 110ah chacune, dont les + vont vers un coupleur manuel (0, 1, 2, 1+2). Tous les - sont reliés à un coupe circuit.
J'ai un Cyric CT entre la sortie du coupe batterie + de la batterie moteur qui est aussi reliée au + moteur, et la sortie du commutateur des batteries de service reliée aussi à la sortie service et un moyen de charge extérieure (panneau solaire ou chargeur de quai).
Quelqu'un aurait-il des critiques sur cette installation? Elles sont les bienvenues!

11 nov. 2016

Salut Matelo@17523
Puisque les critiques sont bienvenues....(Ce n'est pas souvent !)
Électriquement parlant ton schéma fonctionne...
Mais comme tu as 3 batteries, il te faut 3 x 2 = coupe circuits pour répondre à La Division 240 ....

Article 240-2.39 alinéa 5
Batteries d'accumulateurs
" V. Les batteries d’accumulateurs électriques sont pourvues de coupe-circuit sur les deux pôles, aussi proches
que possible de la batterie, permettant de les isoler dans tous les cas du reste de l’installation. "

Désolé, ce n'est pas moi qui l'ai rédigée !.
Mamita

11 nov. 2016

ou 3+1

11 nov. 2016

Bonjour,
merci pour ton aide, mais j'ai beau relire ta citation, je ne vois pas en quoi mon installation ne s'y conforme pas.
Il n'est pas spécifié dans ta citation que "chaque" batterie doit avoir 2 coupe-circuits propres, ce n'est qu'une interprétation car le mot "chaque" aurait alors été utilisé plutôt que "les".
Je peux pourtant parfaitement isoler chaque batterie sur les deux pôles puisque le commutateur a une position "0" qui isole les deux servitudes, une position "1" qui isole la 2, une position "2" qui isole la 1.
Le coupe circuit commun négatif isole tout le parc d'un coup.

Le "aussi proche que possible" est aussi respecté (moins d'un mètre).

11 nov. 2016

J'ai une question: pour l'instant, cette partie de mon installation ne comporte pas de fusible. (il y en a après dans le circuit servitude, et chaque appareil est relié à un tableau de 12 disjoncteurs).
Mais je vois sur certaines installations un énorme fusible de plusieurs centaines d'ampères. A quel endroit placer de tels fusibles et de quelle valeur?

15 nov. 2016

ok merci!

15 nov. 2016

Les fusibles forts protègent le matériel contre les forts ampérages qui pourraient être provoqués par des court circuits:
par exemple il est bon de protéger les coupleurs séparateurs à diodes, les Cyrix, les coupleurs manuels...

10 nov. 2016

Pas de critique, il faudra juste que tu jongles avec ton coupleur selon la manière dont tu auras utilisé tes batteries de servitude ou bien de passer sur 1+2 quand tu es au moteur.

10 nov. 2016

Oui, en général c'est toujours 1+2 même sous voiles, j'ai conservé ce commutateur pour en isoler une seulement en cas de problème.

10 nov. 2016

bonjour,
pour ma part j'ai adopté une solution simple ,peu onéreuse et verifiée techniquement ( j'ai travaillé pendant plus de 30 ans sur des batteries ) : j'ai mis un relais dont la bobine est commandée par le 12 V issu du moteur ( celui qui alimente entre autre les voyants donc facile à trouver ) .les contacts de ce relais mettent les batteries "servitudes" et "moteur" en parallèle ( . le courant d’échange entre les batteries est très faible car c'est l'alternateur qui "mets tout le monde d'accord " et chaque batterie ne prend que ce dont elles ont besoin ( vérifié avec 2 batteries "servitude" de 100Ah chacune et 75Ah pour la "moteur " ) . dés que les batteries sont chargées on peut constater que effectivement elles sont a~14,5 ( alors qu'avant la mise en place de ce relais seule la batteris moteur etait a 14,5 et les autres plafonnaient a 13,6 ( ce qui pourrait être suffisant en floating mais voila le floating doit etre appliqué pandant plusieurs jours pour que la charge soit complète
pour rassurer Bmayer ( Que se passe t-il quand la batterie moteur est chargée, et qu'on lui rajoute un longue séance de charge de la servitude ?):un alternateur classique ne fait pas s’entretient en floating .il ne fait que de la charge a ~14,5 v ( les millions de voitures subissent ce sort !meme les poids lourds qui roulent 24h d'affilé !et c'est beaucoup plus que nos (petites ) séances de moteur en cas de pétole ou rentrée dans un port ....)

j’espère avoir été clair et je peux vous proposer un schéma si cela peut vous aider...
cordialement
Bruno

10 nov. 2016

Merci Bruno
En // les 2 batteries de 100A ?

10 nov. 2016

sans problème !! (dans mon boulot ,on mettait des 600Ah !!!...bon ..il y avait un peu d’électronique autour !!!

15 nov. 2016

Un peu en marge ; En plus de devoir choisir entre "gel" et "agm", il y a des batteries "silicone" ? voir www.motorisation-electrique.fr[...]/

10 nov. 2016

Un moyen ( c'est ce que j'expérimente en ce moment ) pour appliquer à la batterie moteur une tension floating (13.6v) j'ai opté pour une séquence un peu particulière .
1) je ne charge que la batterie moteur jusqu'à ce qu'elle arrive à14.4 v ( détection par montage self made )
2) arrivé à cette tension je mets en // la batterie servitude et j'intercale en série une diode ( récupérée sur un pont de diode d'alternateur) dans le circuit de charge de la batterie moteur (je retire donc 0.6 à0.7v à la tension de charge vue par cette batterie 14.4-0.7=13.7v ) elle voit donc un régime floating , alors que la servitude peut encore monter à 14.4v .

Un système de reset auto fait revenir le montage à la phase 1 si il y a arrêt moteur .

Si il y a défectuosité de la batterie servitude ( tension trop basse la diode (bloquée ) isole les deux batteries .

Un truc à la graisse d'oie

Pour le moment ça a l'air de fonctionner . Ma batterie moteur est toujours bien chargée . La servitude un peu plus vite qu'avant .....mais j'utilise souvent les voiles ....aïe !
et je n'ai pas d'électricité au quai .

Dans l'absolu il faudrait détecter aussi le 14.4v de la tension servitude pour la descendre à 13.7 v ! et l'idéal serait d'y rajouter une tempo . Je ferai ça un jour si le besoin s'en fait sentir .

11 nov. 2016

personne n'a un avis sur les répartiteurs electronique sans perte de charge sité plus haut ..ça semble etre une bonne solution ,peut etre plus cher mais l'on ne s'occupe plus de rien

11 nov. 2016

Si moi, j'en ai un d'avis, et il est positif. Quant j'ai refait toute mon installation électrique, j'ai installé un répartiteur "victron argofet" qui m'apporte toute satisfaction. Pour préciser les choses, j'ai des compétences très limitées en électricité, et j'ai fait le choix d'une installation simple, facilement compréhensible, même par un ignare en électricité.

11 nov. 201616 juin 2020

Re,Matelot@17523
le "but" de la Division 230 est de :
1°) les batteries sont pourvues de coupe-circuits sur les 2 pôles
2°) Permettre dans tous les cas de les isoler de l'installation

Comme dans toutes les réglementations, lois, conventions etc...on peut toujours jouer sur la sémantique des mots...
Comme dans ton post, les critiques étaient les bienvenues, je te fais part des miennes; perso, je ne t'oblige a rien! Electriquement ton schéma fonctionne....
Mais comme je n'aime pas critiquer sans donner une solution, sur ton schéma je te propose ceci (voir ci dessous)
Amicalement
Mamita.

11 nov. 2016

Merci pour ta proposition. Pour les négatifs, ok pourquoi pas!
Par contre je ne comprends pas l'intérêt des deux robinets sur les + servitudes, puisque le commutateur joue complètement leur rôle. Cela revient à installer des robinets en série, non?

11 nov. 2016

Bonjour à tous
Perso je ne fais plus confiance à quoique ce soit d'électronique et je fais au plus simple mécaniquement parlant.
Donc banni répartiteur auto, cyrix and Co.
C'est donc répartiteur 1+2, et encore sur mon bateau ce ne sont que des clés.
Dire que l'on va oublier oui comme toutes les choses que l'on doit faire sur un bateau mais même avec un oubli on ne risque pas grand chose puisque le principal c'est de démarrer le moteur. On a toujours une batterie en charge et je trouve que le risque est moindre qu'une casse d'un quelconque appareil qui de plus ne te préviens pas. Le risque aussi d'une batterie HS qui contamine très vite les autres.
Depuis ma nuit d'orage ou j'ai cumulé pas mal d'ennuis j'ai tout isolé : d'un côté moteur et chargeur de quai au cas ou , de l'autre servie avec panneaux solaires.
Entre tout cela aucun contact sauf volontaire par une clé si nécessaire.
Et bien cela fonctionne et je n'ai plus à penser à une panne toujours possible.
Gilles

15 nov. 201615 nov. 2016

Gilles, pareil chez moi, en fait, c'etait monté comme cela à m'origine, il y a 37 ans ...
après m'ètre torturé les méninges, j'ai laissé tel quel,
j'ai juste doublé le nombre de batteries, soit 2x2 batteries en //, un sélecteur et basta, qd ca charge, ca charge 1-2-1+2 au choix, plus simple il n'ya pas ...

mais bon comme d'hab chacun fait comme il l'entend !

Le raz de sein

Phare du monde

  • 4.5 (147)

Le raz de sein

2022