Câblage batterie lithium

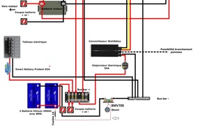
Hello ! Je fais appel à tous les experts en électricité marine. Je vais passer aux batteries lithium. Je viens de faire un schéma, merci d'y apporter vos expertises et de me dire si je suis dans le vrai. Faut - il rajouter un coupe batterie sur le - ?
Merci pour les conseils

L'équipage

11 sept. 2025
11 sept. 2025

C'est mieux qu'en pdf...


11 sept. 202511 sept. 2025

chargeur de quai côté servitude, et en plus, ça lui permettra de causer au MPPT, s'ils sont de modèles compatibles


kenavo:C'est exprès que le chargeur soit coté batterie moteur, ça m'évite d'en racheter un autre car celui que j'ai n'est pas compatible lithium·le 11 sept. 16:06
Lady_C:ah mais si tu ne mets pas le bon modèle, on ne peut que donner de mauvais conseils·le 11 sept. 16:41
11 sept. 2025

Avec l’Orion le principe est de passer par la batterie moteur pour charger les services.
Tout dépend de la capacité de la batterie prévue, mais Je préconiserai plutôt le Orion XS 50 qui a un meilleur rendement et qui chauffe très peu.
Sinon joli schéma.
Bonne installation.


kenavo:Je pense prendre une batterie 150AH ou 200AH·le 11 sept. 16:07
Solent:Le XS50 charge à 49A dès 1500 trs. (avec mon alternateur de 115A) Donc si ton alternateur le permet ça sera plus performant.·le 11 sept. 16:33
Fabien83:Si tu prends un Orion 12/12-30, prends le modèle non-isolé qui est moins cher. La seule différence est qu'il n'a qu'une seule borne négative. Les négatifs de la batterie moteur et servitude sont de toute façon en commun si ton installation est correcte. SI tu prends l'Orion XS ( ce que je te recommande comme Solent), il n'y a de toute façon pas le choix puisqu'il est non-isolé.·le 12 sept. 08:37
11 sept. 202511 sept. 2025

Un peu d’information. A toi de choisir.
_Interrupteur-sectionneur «coupe-batterie», circuits d.c
9.1 Un interrupteur-sectionneur dit «coupe-batterie» doit être installé sur le conducteur positif des circuits avec négatif à la masse/terre, ou sur les conducteurs positifs et négatifs (commutation simultanée) d’un circuit à courant continu bipolaire totalement isolé. Le coupe-batterie doit être installé dans un endroit facilement accessible aussi proche que possible de la batterie d’accumulateurs ou du groupe de batterie d’accumulateurs. Les dispositions suivantes constituent des exceptions à cette exigence:
a) les bateaux à moteur hors-bord équipés uniquement d’un circuit de démarrage du moteur et de feux de navigation;
b) les dispositifs électroniques dotés de mémoire protégée et de dispositifs de protection, comme les
pompes de cales et les alarmes, s’ils sont protégés individuellement par un disjoncteur ou un fusible situé aussi près que possible de la borne de batterie d’accumulateurs;
c) les ventilateurs d’extraction d’air des compartiments moteur/réservoir à carburant, s’ils sont
protégés par un fusible ou un disjoncteur placé aussi près que possible de la borne de la batterie d’accumulateurs;
d) les dispositifs de charge conçus pour fonctionner lorsque le bateau est sans surveillance (par exemple des panneaux solaires, des éoliennes), s’ils sont protégés individuellement par un fusible ou
un disjoncteur placé aussi près que possible en pratique de la borne de la batterie d’accumulateurs.
_
(Cf. NF EN ISO 13297)


11 sept. 2025

Il me semble que tu n'as pas de fusible entre le MPPT et la batterie. Il en faut un. Vérifie si ton MPPT en a un intégré, je sais qu'il y a des version avec.


11 sept. 2025

Coupe batterie bi-polaire au ras des batteries, sauf alim BMV qui doit pouvoir être alimenté même si CB ouverts. Mettre un système de coupure bipolaire entre panneaux et MPPT (simples fusibles ?), c'est plus sûr que de tenter de masquer les panneaux ou de trifouiller les prises MP4 pour faire une coupure "dans l'ordre". Et c'est également plus rapide s'il faut couper les CB avec une certaine précipitation.


Fabien83:Les coupe batteries n'isolent pas les MPPT normalement. ·le 11 sept. 20:53
PeeFl:C'est un choix à faire, il en est de même pour une pompe de cale auto, un dispositif de surveillance, etc. Mais dans l'esprit, le CB doit mettre hors tension la totalité des réseaux. A minima, mettre un fusible sur les circuits non coupés par le CB. La valeur de ce fusible doit correspondre à la consommation réelle sur le circuit et non pas à la capacité de la ligne. Ex: le fusible 1A sur la ligne BMV alors que le câble peut accepter beaucoup plus.·le 12 sept. 08:58
didier.brest:« sauf alim BMV qui doit pouvoir être alimenté même si CB ouverts »Pourquoi ? Ça fait une consommation permanente de quelques mA. Dans ce cas, il faut que le coupe-batterie négatif soit en aval du shunt.·le 12 sept. 10:31
PeeFl:Parce-que les paramètres de réglage du BMV disparaissent si on coupe l'alimentation. Il semble (?) également que la précision de l'appareil soit affecté s'il est alimenté à distance des batteries. Dans tous les cas, respecter le schéma d'alimentation fourni par le fabricant ne peut pas faire de mal.·le 23 déc. 09:22
11 sept. 202511 sept. 2025

Salut,
Comme PeeFi...,
Mamita


Polmar:A la longueur de fil près (et CP + - séparés) ce schéma me semble respecter la norme 👍👍·le 11 sept. 21:38
kenavo:Ah cool, j'avais pas vu les modifs. Merci. Donc ça répond à ma question , il faut bien un coupe batterie sur - et + et rajouter un disjoncteur sur le panneau ·le 12 sept. 09:19
Polmar:Commutaion simultanée du + et du -. Pas deux indépendants.·le 12 sept. 10:02
tronegeden:Sur Beneteau livrés d'usine il y a un coupe circuit + pour le moteur et un autre coupe circuit + pour les servitudes. Quand au négatif qui est commun il n'y a donc qu'un seul coupe circuit - (négatif). J'aimerais savoir s'il existe des bateaux ou d'une seule action (donc un seul coupe circuit) ou ouvre à la fois le circuit positif et le circuit négatif.·le 28 sept. 17:00
Fabien83:Des bateaux je ne sais pas mais chez blue sea ils ont un modèle à double contact. Un seul coupe circuit permet de fermer positif et négatif en même temps. ·le 28 sept. 17:13
tronegeden:J'ai bien un Blue Sea pour le positif servitudes que j'actionne à distance (switch) mais je ne savais qu'ils faisaient un Bipolaire. Ce que je fais - comme probablement des milliers de plaisanciers - c'est vérifier en quittant mon voilier, que le + et le - sont bien sur OFF. L'espace derrière les coupe-circuit sur Oceanis 38.1 ne me permettrait pas de remplacer les coupe circuits existant par des bis-polaires. Câblage trop serré et là ça commencerait à être dangereux. Quand au coupe circuits ils sont en gros à 1 mètre des bornes des batteries. J'ai en amont mon alarme (protégée par fusible), mon Cerbo GX (protégé par fusible), le BMV (protégé par fusible) entre le coupe circuit et les bornes + et -. Un peu comme ceux qui laissent la pompe de cale alimentée en permanence, ce qui n'est pas le cas par défaut sur Oceanis.·le 28 sept. 17:32
tronegeden:Ha oui effectivement. Merci·le 28 sept. 18:30
11 sept. 2025

Hello,
Je rajouterai bien un fusible en aval du MPPT.


12 sept. 2025

idem, pour compléter, remplacer les barrettes par des plots qui passent plus de puissance


12 sept. 2025

en premier je presente le projet a mon assureur

captjpp


kenavo:si mon assureur est électricien... ·le 12 sept. 09:30
12 sept. 2025

C'est pas l'assureur qui va dire si le schéma est bon....


Polmar:Peut-être Véritas 🤣·le 12 sept. 10:20
12 sept. 2025

Si je mets un disjoncteur pour mon panneau (100W) quel ampérage ?


Lady_C:un peu plus que ce que fournit le panneau, ce qui est indiqué dans sa fiche technique.
100W, c'est un rapport entre la tension et l'intensité, et on ne peut pas connaître l'intensité si on ne connaît pas la tension. ·le 12 sept. 12:33
matelot@19001:Tu regardes la valeur de Icc sur l'étiquette et tu mets un peu plus (sûrement 10 A). Le mieux c'est de prendre un disjoncteur bipolaire et d'utiliser un pôle pour le panneau et l'autre pour la batterie.·le 12 sept. 13:24

Bonsoir à tous. Je reviens sur un fil, que j'avais lancé, avec le schéma d'un câblage amélioré, enfin je pense. Je fais appel aux spécialistes pour corriger les erreurs et je suis preneur de conseils avisés. Je me suis aidé de schéma pour les vans.
J'ai quelques questions: - Est ce que je suis obligé de mettre un Smart Protect puisque j'ai un BMS ?
- Peut on branché 2 panneaux solaire, 50W et 100W sur le même Mptt ?
- J'ai un ancien modèle de chargeur de quai Cristec qui ne charge pas les lithiums . Je l'ai câblé sur la batterie moteur pour éviter d'en acheter un autre. C'est tout bon je crois ?
- Si je monte un convertisseur jusqu'à quelle puissance je peux monter avec mon parc de batteries ?

Je vous remercie pour vos éclaircissements et vous souhaite de belles fêtes


Fabien83:1)je me passerais du battery protect, pas d'intérêt à mon avis puisque BMS d'as batteries. 2) si les deux panneaux ont àpeu près la même tension Vmp, ça peut fonctionner en mettant les deux panneaux en parallèle.Pas en série dans tous les cas. 3)Tout bon. C'est l'Orion qui chargera le parc lithium. 4) Voir la fiche technique des batteries. Si tout le câblage est correctement dimensionné tu peux monter au max de ce que peuvent produire les batteries. Je prendrais tout de même de la marge. ·le 23 déc. 08:59
Now:Pourquoi "pas en série dans tous les cas"? Même si je préfère aussi le montage en // le montage série fonctionne (a condition de pas dépasser la tension admissible du mopt bien sûr) et peu avoir des avantages dans certains cas comme par exemple si une tension nominale un peu faible des panneaux. ·le 23 déc. 10:50
Fabien83:Il indique qu'il s'agit d'un panneau de 50Wc et le deuxième de 100Wc. Il y a des chances que les Vmp soient proches, ce qui permettrait le montage en parallèle mais quasi aucune chance que les Imp soient proches, ce qui permettrait le montage en série.·le 23 déc. 13:04
2j

Bonjour,

J'ai pas regardé le schéma en détail mais voici des réponses. D'autres vont surement compléter.

1/ Le smart protect protège ta batterie contre une tension trop basse, ou trop haute mais un seul seuil. Je suppose que ton BMS le fais déjà donc ça n'est pas obligatoire d'en rejouter.
2/ Oui, tu peux brancher sans problème deux panneaux de puissance différentes sur un même MPPT du moment que tu ne dépasse pas les capacité de ce dernier. (En tension et en courant) Que ça soit en parallèle (dans ce cas la tension nominale des deux panneaux doit être identique) ou en série.
3/ oui, c'est bon, vu que tu as un DC/DC qui va recharger ta LFP à partir de la batterie moteur, le chargeur doit être branché sur la batterie moteur. Le DC/DC va gérer quand il sera possible de charger ta LFP ou pas. (selon l'état de charge de la batterie moteur)
4/ Je ne comprends pas la question "quelle puissance" pour ta batterie? Une batterie LFP peut être chargée à très fort courant, c'est les caractéristiques de la batterie et du BMS qui te dirons jusqu'à quel courant tu peut charger. Généralement c'est entre 0,5C et 1C c'est à dire entre 0,5 et 1 fois la capacité (50 à 100A pour une batterie 100AH par exemple)
Normalement une cellule LFP peut être chargée à 1C sans problème (c'est spécifié par le fabricant) mais c'est le BMS qui est souvent limitant.


kenavo:Oui ma question n'est pas très claire. Est ce que par exemple je peux monter un convertisseur de 2000W pour avoir du 220V sur mon parc de batteries, ou est ce que je suis limité en puissance ?·le 22 déc. 19:08
tronegeden:Bonsoir, c'est le BMS de ta batterie qui donne l’ampérage délivrable. Pour 2000 watts on arrive à 160 Amp. Je ne sais pas si tu as besoin de 2000 watts pendant longtemps mais ça commence à faire. Regarde les specs de ta batterie et tu aura l’ampérage possible avec son BMS·le 22 déc. 19:18
jusliensmt:Salut pour ton convertisseur, 2000w a mon avis c'est limite si tu as des super p ack avec bms integré, sur la doc victron des mes batterie (3fois 100ah super pack) je peux tirrer 100A par batteries soit 3600w... MAIS les super pack 200 peuvent tirer que 70A par batterie soit 1600w dans ton cas si tu as deux batteries et 100A en crete (2400w sur 10 secondes) ·le 22 déc. 19:47
Now:Oui, pour la décharge aussi c'est ton BMS qui v te donner la limite de courant que tu peux tirer. C'est pour ça que j'aime pas trop les BMS, ils sont souvent trop limitants, mais je dis pas que c'est le cas pour toi, c'est à voir sur ces spécifications.·le 22 déc. 20:11

Je reprends se que j'ai dit plus haut car je ne pouvais pas publier la photo de la doc
jusliensmt:Salut pour ton convertisseur, 2000w a mon avis c'est limite si tu as des super p ack avec bms integré, sur la doc victron des mes batterie (3fois 100ah super pack) je peux tirrer 100A par batteries soit 3600w... MAIS les super pack 200 peuvent tirer que 70A par batterie soit 1600w dans ton cas si tu as deux batteries et 100A en crete (2400w sur 10 secondes) ·le 22 déc. 19:47

Comme toi je suis passé au lithium il y a moins de un mois , voilà en PDF mon installation



Salut,
A Kenavo,
Pour le branchement de la tension du BMV700, il faut prendre la tension sur la borne positive du banc servitude avec son fusible ... (voir schéma ci-joint)
Mamita


Merci pour vos réponses. Pour ce qui est du convertisseur je n'avais pas l'intension de mettre 2000w c'était pour l'exemple, 800w voir même 600w suffiront pour ce que je veux en faire. A part le fusible du BMV qui était mal branché que pensez vous du reste, ça tient la route ?
Bonnes fêtes à tous


tronegeden:Pour ma part ça semble correct. Effectivement 600 Watts on tombe à 50 amp et cette fois le BMS devrait laisser passer les électrons. Pour le reste, peut être vais je dire une bêtise mais quand j'ai installé un Orion XS j'avais suivi les préconisations de Victron dans lesquelles on installe un fusible en amont de l'Orion (entre batterie moteur et DC/DC) ainsi qu'un autre en aval (cette fois entre ta batterie Lithium et le DC/DC). Il est probable que ça ne soit pas nécessaire mais j'ai fais comme ça. Enfin dernière remarque (qui n'engage que moi) j'ai plusieurs consommateurs "permanents" - donc branchés avec chacun un fusible sur le + de ma batterie de service (BMV, Cerbo GX, Alarme etc). Pour pouvoir couper en urgence ces consommateurs. Je les ai installés sur un Bus Bar +12 dédié relié au + de ma batterie. Ce dernier est commandé par un coupe circuit. Comme ça je coupe tout quand j'en ai besoin. Mais bon ....·le 23 déc. 12:53
Fabien83:Il faut un fusible sur chaque câble qui part des batteries et au plus proche des batteries, d'où la préconisation pour l'Orion de mettre un fusible sur la batterie moteur au plus proche de celle-ci et un sur la batterie de servitude au plus proche de celle-ci. Ça ne protège pas l'Orion mais les câbles en cas de court-circuit, les fusibles claqueront avant que les câbles ne fondent ou mettent le feu. ·le 23 déc. 13:08
Now:D'une manière générale, les schémas fournis par Victron sont pertinents, donc c'est bien de les suivre effectivement quand on branche des produits de chez eux..·le 23 déc. 13:13

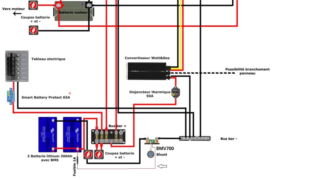
Mon schéma corrigé. Allez dite moi que je suis pas trop mauvais...Lol


kenavo:Les deux fusibles sont de 150A pour les deux batteries lithium·le 23 déc. 15:55
tronegeden:Attention on parle des deux fusibles amont / aval du dc/dc. Ils sont de 60 amp.·le 23 déc. 17:22
kenavo:Ok , il y sont sur le schéma, un en aval du DC/DC et l'autre sur le bus bar positif. J'ai vu aussi sur certain montage qu'il y avait des fusibles juste après les batteries lithium, c'est pour ça que j'avais modifier, je pensais que c'était cela dont il était question...·le 23 déc. 18:08
sterwen:Bonjour,Pourquoi as-tu mis un DC-DC isolé alors que les deux masses sont reliées entre elles ? L'isolement ne sert plus à rien. Un DC-DC standard revient exactement au même.Pourquoi des disjoncteurs pour protéger les panneaux ? Un simple interrupteur suffit, il n'y a pas vraiment de risque de surintensité, même en court-circuit. Les interrupteurs induisent en général moins de perte de tension. Idem pour les Watt&Sea, il vaut mieux mettre un fusible, c'est plus fiable et induit moins de pertes. La protection ici ne sert qu'en cas de court circuit aval. C'est une protection ultime et je ne suis pas certain qu'un disjoncteur thermique soit adapté à un court-circuit franc.·le 23 déc. 18:28
PeeFl:Ne vaudrait-il pas mieux alimenter le + du shunt à partir du câble collecteur (mini barbus) des 2 batteries ? En l'état, si défaut sur le fusible et de la batterie de droite, il n'y a plus d'affichage. Le câblage des coupe batteries est très symbolisé, normalement le câble entre d'un côté du CB et ressort de l'autre. Pour info, il existe des CB bipolaires, une seule manette pour manœuvrer les 2 pôles. Au passage, attention à l'ordre d'alimentation/coupure du tandem MPPT/batteries.Jeter un coup d’œil sur les options du matériel Victron, les kits filaires de commande à distance ou Bluetooth sont bien pratiques à l'usage.·le 24 déc. 10:19
PeeFl:J'ajoute qu'avec un BMV 702 on peut aller chercher une info supplémentaire, soit une température, une tension intermédiaire ou la tension de la batterie moteur par exemple.·le 24 déc. 10:32
5h5h

Re-re Salut,
A PeeFI ,
"...PeeFl: Ne vaudrait-il pas mieux alimenter le + du shunt à partir du câble collecteur (mini barbus) des 2 batteries ?...".
Le BMV est un contrôleur de précision; autant lui indiquer la tension réelle de la tension de la batterie pour son algorithme... et non pas une tension quelconque dans le circuit. (ou sur le busbar, voire sur le CC, etc...)
(Voir Notice Victron du BMV ci-jointe).

Dans le dernier schéma de Kenavo, il y a d'autres modifications à apporter ou à modifier, (déjà signalées !):
- Le fusible de la tension B1 du BMV, doit être au plus prés du parc batteries services.
- Branchement en "croisé" des 2 batteries lithium.
- Positions normales des divers Coupes-circuits -. En cas de défaillance de la batterie, Ils doivent servir à isoler la batterie defaillante du reste du circuit sans le modifier.
etc...
Mamita


PeeFl:On est bien d'accord pour ce qui est de l'alimentation du BMV, mais c'est soit la solution à partir du + commun aux 2 batteries, soit mettre une 2eme alimentation à partir de la 2eme batterie. C'est le schéma proposé par Victron sur la boite de livraison du BMV.·le 24 déc. 13:11
Portland Head Light, Portland, Maine USA

Phare du monde

  • 4.5 (141)

Portland Head Light, Portland, Maine USA

2022