Volvo Penta TAMD60C il chauffe

Bonjour, mon échangeur eau douce eau de mer s'est percé. L'eau de mer est passé dans l'eau douce. Je change d'échangeur(pas facile à trouver) et depuis le moteur chauffe. Je change la turbine, je nettoie le circuit eau de mer, nettoie le circuit eau douce à l'acide oxalique, le moteur chauffe toujours. Prochaine opération, je mets un manomètre sur le circuit d'eau douce pour voir si la pompe à eau fonctionne correctement, mais le circuit de refroidissement eau douce ayant été pollué par l'eau de mer, je me demande si il n'y a pas eu une détérioration du système de refroidissement. Quelqu'un a une idée ?

L'équipage
11 sept. 2025
11 sept. 202511 sept. 2025

Hello Didier,

Ce qu'il faut savoir c'est qu'il deux circuits de refroidissement, le premier est propre au moteur, il circule en circuit fermé grâce à sa pompe de circulation. Le deuxième circuit c'est l'eau de mer qui sert à refroidir le premier circuit en passant à travers l'échangeur thermique, et se mélange aux gaz d'échappement à la sortie du coude d'échappement. En aucun cas l'eau de mer ne peut se mélanger à l'eau du premier circuit. S'il y a une fuite sur l'échangeur elle part dans l'échappement.
Ton problème peut venir de:

  • Il n'y a pas assez d'eau dans le premier circuit.

  • Le remontage du faisceau de l'échangeur est mal monté. L'eau de mer décrit un S dans l'échangeur. Il y a des barrages dans les capuchons avant et arrière à cette effet.

  • Thermostat défectueux (reste fermé)

  • Pompe de circulation défectueuse, ou corroie qui patine


baronyan:Le thermostat qui ne s'ouvre pas me parait effectivement un suspect de premier ordre...·le 12 sept. 11:01
11 sept. 2025

Merci de ses remarques
Le circuit d'eau fermé est stable : pas de perte de liquide
Thermostats testés et pas d'anomalies
Tension de la Courroie OK
Pompe de circulation défectueuse : c'est possible . Son démontage étant compliqué, j'aimerai la tester en prenant la pression sur une purge.

Pour
Le remontage du faisceau de l'échangeur est mal monté. L'eau de mer décrit un S dans l'échangeur. Il y a des barrages dans les capuchons avant et arrière à cette effet.
L'échangeur sur la photo est celui de l'huile (eau de mer), je l'ai démonté et nettoyé. Le circuit eau de mer a l'air d'être normal. Je n'ai pas les valeurs de débit, donc difficile d'être sûr. Mais le débit observé au coude d'échappement a l'air normal.

Pour :
En aucun cas l'eau de mer ne peut se mélanger à l'eau du premier circuit.
Malheureusement si c'est possible et c'est ce qui est arrivé lorsque l'échangeur eau douce / eau de mer c'est percé. La pression du circuit de l'eau de mer étant supérieur à celui de l'eau douce, l'eau de mer a remplacé l'eau douce. Ce phénomème arrive lorsque le bouchon de remplissage d'eau douce est défectueux, le clapet de surpression n'était plus étanche. Et le moteur a tourné en étant refroidit à l'eau de mer, sans chauffé, pendant un certain temps. Le temps de s'apercevoir du problème. Que dans le circuit eau douce, c' était de l'eau de mer.

Voilà quelques explications supplémentaire qui j'espère permettra une analyse


11 sept. 202511 sept. 2025

Vu la chaleur interne du moteur, le sel a pu cristaliser dans le circuit secondaire.
Pour conséquences possibles.
- moins de section de passage => debit plus faible.
- couche isolante thermiquement (de sel) dans le circuit.

Si mon hypothèse est bonne, est-ce qu’un produit de décolmatage du circuit primaire pourrait nettoyer tout çà ?


D2 Didier:Le manuel préconise de nettoyer ce circuit avec de l'acide oxalique . J'ai fait. Mais est-ce suffisant ? Faut peut-être le faire plusieurs fois ?·le 11 sept. 14:10
11 sept. 2025

Pour le moment, j'ai 2 analyses possibles :
pompe eau douce défectueuse puisqu'elle a tournée avec de l'eau de mer, il est possible que les roulements soient grippés, que l'aube soit érodée par le sel.
Donc je vais essayé de prendre sa pression sur une vis de purge. Mais sans conviction, je n'ai pas les donnée dans le manuel. Pour tester l'étanchéité de l'échangeur, le manuel préconise 0,7 bar. Je m'attend à avoir une Valeur approchante. Mais c'est pas suffisant pour faire un diagnostic sauf si j'obtiens 0.

*Joint de culasse défectueux *. Mais je n'ai pas de mayonnaise. Pas de perte de liquide de refroidissement.

Ou alors... autre chose.. mais quoi?? C'est à ce moment que j'espère la communauté HEO se met en action !


11 sept. 2025

Je pars de ce pas pour tester la pompe en prenant une pression. On verra bien...


11 sept. 2025

Le fonctionnement de la pompe liquide de refroidissement se contrôle facilement.
Tu ouvres le bouchon de remplissage sur l'échangeur et tu démarres le moteur.
Si tu vois le liquide circuler dans l'échangeur (par l'orifice du bouchon de remplissage) c'est que ta pompe fonctionne bien.


D2 Didier:Merci, c'est en effet simple (pourquoi je n'y ai pas pensé avant???). Bref La pompe fonctionne. Est-ce suffisant? difficile d'évaluer le débit·le 12 sept. 08:40
11 sept. 2025

Je ne sais pas si on peut comparer les deux moteurs mais sur mon Volvo MD 22, il y a une bague en caoutchouc (repère 4 sur le schéma) qui doit impérativement être installée sur le faisceau de l'échangeur afin de forcer le liquide refroidissement à faire un détour dans l'échangeur. Si cette bague n'est pas présente ou est détruite, le moteur va chauffer.
Peut-être manque-t-il une bague comme celle là dans ton échangeur ?
Mais bon, je dis peut-être une sonnerie ....


D2 Didier:Je n'ai pas cette bague, et elle n'est pas sur le manuel.·le 12 sept. 08:42
11 sept. 2025

Si le moteur a tourné avec de l'eau de mer dans le circuit de LDR le sel s'est figé. Avec l'acide oxalique as tu fait tourner le moteur ? Je sais en tout cas qu'en mettant du vinaigre dans le circuit de refroidissement c'est mieux de le chauffer en faisant tourner le moteur pour qu'il arrive à température.


D2 Didier:Oui, j'ai fait chauffé le moteur , puis laissé au repos 12 heures, puis rinçage au bicarbonate. J'ai suivi à la lettre le manuel·le 12 sept. 08:43
12 sept. 2025

Peut-être qu'il faut refaire un nettoyage du circuit LDR


12 sept. 2025

Tu nous dis: Thermostat testé, pas d'anomalie.
Comment as-tu testé le thermostat ?
Comment peux-tu être certain qu'il s'ouvre correctement, suffisamment et à la bonne température ?
Un thermostat, ça coûte 20 balles. Moi, je l'aurai remplacé, direct, et sans chercher à comprendre.


D2 Didier:J'ai en effet remplacé le thermostat par un neuf, mais je l'ai testé avant de le monter... Des pièces neuves défectueuse, ça court les rues.·le 12 sept. 14:48
12 sept. 2025

Le moteur chauffe, comment est le débit d'eau de refroidissement en sortie d'échappement ?
Est-ce une ligne d'arbre ou un drive en Z ?
As-tu vérifié la crépine, le conduit entre le moteur, la vanne et la crépine ?

Ton moteur fonctionnait bien avant, le problème est donc survenu après remontage, assure-toi que le faisceau dans l'échangeur est bien orienté comme je l'ai écris plus haut...


D2 Didier:Le débit d'eau à l'échappement semble bon, et je pourrais mettre un débitmètre mais je n'ai pas trouvé la valeur que je devrais avoir. Dans le doute j'ai changé la turbine, sans résultat.J'ai aussi pensé à la vanne et à la crépine, mais là aussi je n'ai rien trouvé.Je pense que si le moteur fonctionnait bien avant, c'est parce que l'eau de mer passant dans le circuit LDR refroidissait bien le moteur d'autant qu'il était renouvelé , mais je me suis aperçu trop tard de cette panne et le sel a dû détériorer quelque chose. Je vais vérifier ce que tu dis sur le montage de l'échangeur. Mais il n'y a pas de possibilité de se tromper, un seul sens de montage possible. j'essais de joindre l'image :PS c'est ligne d'arbre·le 12 sept. 15:02
D2 Didier:Je n'arrive pas à poster une image, comment tu fais·le 12 sept. 15:12
12 sept. 2025

Pour tester le thermostat, il faut se référer au manuel d'atelier,

Personnellement j'utilise un multimètre avec une sont de température, et je chauffe le thermostat dans une casserole, je note la T° à laquelle il commence à s'ouvrir, et à laquelle il est totalement ouvert...

Les thermostats on plus tendance à rester ouvert quand ils sont cassés (le moteur ne monte plus en T°)...

Exemple en photos:


12 sept. 2025

C'est vrai que dans la plus part des cas le thermostat se bloque ouvert mais il arrive aussi qu'il se bloque fermé et là, c'est la surchauffe assurée.
Entre les 2 extrêmes, on peut avoir tous les cas de figure.
Moi, au moindre doute, je le remplace d'office, c'est pas le prix que ça coûte.
Le moteur a été refroidi à l'eau de mer, donc au sel de mer.
Le thermostat a une partie qui coulisse pour ouvrir ou fermer, est-ce que ça coulisse toujours bien sans accrocher ?


D2 Didier:Oui ça fonctionne normalement. J'ai même essayé sans thermostats, et j'ai sensiblement le même résultat.(c'est plus long à chauffer, au ralenti dans le port mais Le moteur chauffe dès que je dépasse les 1500 tours)·le 12 sept. 15:32
12 sept. 2025

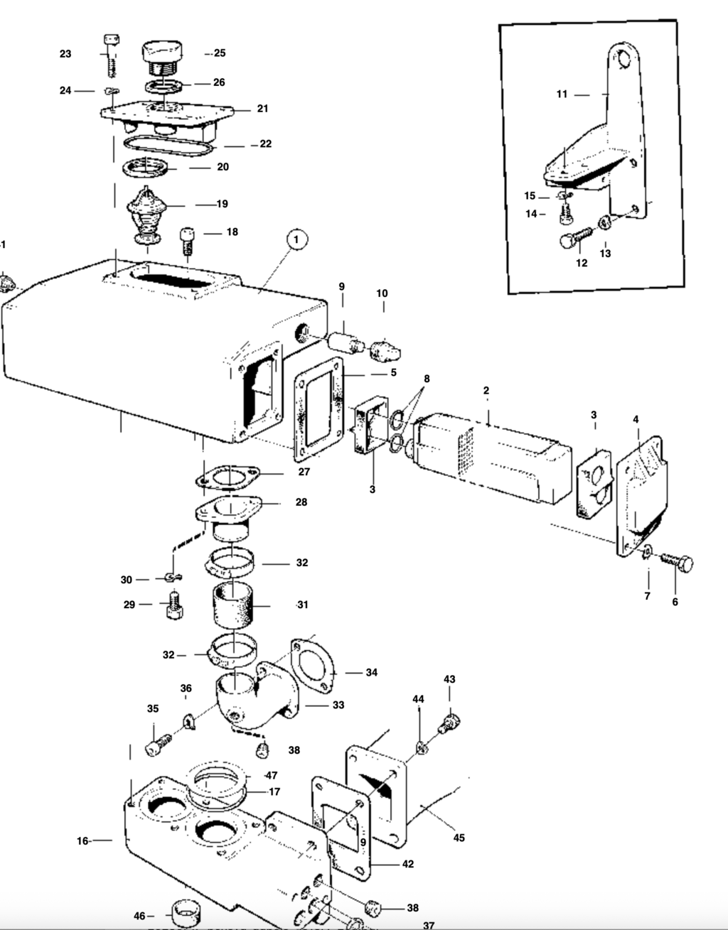
Ci-joint le montage de l'échangeur


12 sept. 2025

Sur le TAMD60C il y a 2 thermostats , le premier s'ouvre à 70° et le deuxième à 76°
La température normal de fonctionnement est à 85°
L'alarme sonne à 90°
Dans mon cas dès que je dépasse 1500 tours la température monte rapidement à 92 ° , je ne vais pas plus loin, mais je suis certain que la température continuait de monter. Je réduis les gaz à 650 tours et j'attends que ça refroidisse. Environ 10 minutes.
J'ai changé et testé le capteur de température. Il est OK


12 sept. 2025

Du temps où je naviguais à la marine marchande j'ai un jour eu un moteur qui chauffait et la cause était un filtre à air colmaté.


D2 Didier:Pas dans ce cas, le filtre n’a que 30h.·le 12 sept. 16:55
12 sept. 2025

Bonjour
J’ai sensiblement le même problème sur un plus petit moteur, j’ai tout vérifié, circuit edm, échangeur, circuit LR, changemé pompe eau douce même, thermostat ok. Ma prochaine étape est un test CO2 afin de voir si je n’ai pas une perte d’échappement via le joint de culasse, qui expliquerait la chauffe et la montée en pression du liquide de refroidissement.


D2 Didier:Oui je pense aussi que ça peut être un joint de culasse . Et je pense avoir le même problème pour des raisons différentes ·le 12 sept. 19:01
Tobacco:Cela vaut il le coup de faire le test co2 avant de démonter non?·le 12 sept. 19:07
D2 Didier:Oui ça vaut le coup et c’est facile à faire. Avant tout et le plus simple, c’est de mettre une capote (si c’est possible) sur le bouchon de remplissage du liquide de refroidissement et faire tourner le moteur. Si il y a des gaz d’échappement , la capote gonfle. Cependant la fuite du joint de culasse n’est pas forcément vers le liquide de refroidissement. La fuite peut être avec l’huile ou encore avec les goujons etc… Donc si le test co2 est positif, c’est certain que c’est une fuite du joint de culasse ou au pire de la culasse. Mais si pas de co2 ne donne aucune certitude ·le 12 sept. 19:47
Tobacco:Exact. De mon côté ni fumées suspectés ni mayonnaise ·le 12 sept. 19:48
D2 Didier:Je voulais dire pas de co2 ne donne pas une garantie sur l’état du joint de culasse, par exemple si la fuite entre gaz et huile il n’y aura pas de CO2 dans le liquide de refroidissement et le moteur chauffera ·le 12 sept. 19:51
D2 Didier:Pour dire vrai c’est la première chose auquel j’ai pensé: le joint de culasse. Parce que j’étais certain que mon travail sur tout le circuit de refroidissement était bon. Et que j’avais vraiment la flemme de déculasser. Alors j’ai juste fait un test du co2. Et comme c’était négatif et que ça matchait bien avec ma flemme, j’ai pas creusé plus ·le 12 sept. 19:59
D2 Didier:Mais c’est naturel de s’éviter les problèmes en fermant les yeux . C’est vrai que démonter une culasse c’est pas compliqué mais c’est après que ça se complique. Faut vérifier que la culasse est bien plane, donc enlever les injecteurs, enlever les soupapes, rien que ça… Et forcément il y aura des problèmes, comme rectifier la culasse, les sièges de soupapes, les injecteurs qui grippe, tester tout ça… Et se serait invraisemblable si ’il n’y aurait pas de problème sur un moteur de 40 ans. Ça c’est chaud!!!·le 12 sept. 20:22
Tobacco:On est d’accord…·le 12 sept. 20:29
Super Typhoon:Si le moteur est équipé d'un turbo-compresseur refroidi par le LDR il se peut qu'il soit fissuré et que le circuit de refroidissement soit mis sous pression par les gaz d'échappement.C'est moins de boulot qu'un joint de culasse.·le 12 sept. 20:43
D2 Didier:Oui intéressant, dans le cas présent le turbo a été révisé il y a 1 an. Mais je retiens car j’y n’aurais jamais pensé. Ça arrivera peut etre ·le 12 sept. 21:38
12 sept. 202512 sept. 2025

La solution se trouve peut-être dans ce post ou à la fin, on voit que le détartrage du circuit eau douce eau de mer ont été fait pendant une douzaine d'heures, avec une installation permettant une circulation du vinaigre blanc dans les deux sens.
A lire et à méditer.

www.hisse-et-oh.com[...]rtante-


D2 Didier:J’ai lu avec attention ce post. J’ai déjà nettoyé les 2 circuits à l’acide oxalique. C’est la même chose que le vinaigre blanc mais en plus fort. C’est préconisé par Volvo.Pour nettoyer le circuit eau de mer, je le fais lors du carénage. Je fais un circuit fermé: je débranche la durite de la vanne et je la branche sur la durite moteur. Ensuite je mets l’acide oxalique chauffé dans le filtre eau de mer, je fais tourner. Et après quelques minutes, quand la température monte à 50degres, je coupe et j’attends 12 heures. Puis rinçage au bicarbonate et enfin remplissage au liquide de refroidissement Volvo. Tout est écrit dans le manuel atelier ·le 12 sept. 18:29
12 sept. 2025

Je crois avoir trouvé un début d’explication : une panne en cache une autre
L’échangeur était percé. Donc de l’eau de mer à 20 degrés arrivait dans la pièce numéro 1 le carter.
Les thermostats sont justement dans ce carter.
L’eau de mer froide arrivait dans ce carter et refroidissait les thermostats.
Ce qui entraînait leurs fermetures.

Le capteur de température est aussi branché sur ce carter, ce qui donnait une température inférieure à celle du moteur.
Donc le moteur donnait l’impression de ne pas chauffer. Mais en réalité il devait déjà chauffer à cause des thermostats qui restaient plus ou moins fermés.
Résultat j’ai dû endommager mon joint de culasse.
Une fois que j’ai changé l’échangeur, mon moteur chauffe car mon joint de culasses à morflé.
Une panne en entraîne une autre…
Voilà mon analyse
Prochaine étape, démonter la culasse pour vérifier


Super Typhoon:La sonde de t° n'est pas dans le carter du cooler, donc si le moteur n'a pas trop chauffé en principe le joint de culasse est encore bon. Le problème du cooler percé date de quand ?Peut-être que la pompe d'eau de LDR est foutue car ayant tourné avec de l'eau de mer ?Ca coûte moins cher qu'un joint de culasse. ·le 12 sept. 20:37
D2 Didier:C’est exact, la sonde est juste en dessous.Le cooler était sûrement percé en 2022, quand j’ai acheté le bateau.Je suis d’accord avec votre analyse que ça peut être la pompe LDR. C’est pourquoi j’ai fait tourner le moteur bouchon de remplissage ouvert et visiblement ça marche. De plus j’ai ouvert les purges moteur tournant et il y a de la pression, beaucoup de pression… Concernant le prix, une pompe vaut 130€ , un joint de culasse 132€ . Mais le changement d’un joint de culasse amène d’autre frais. Démontage des injecteurs, ce qui peut amener beaucoup de problèmes + démontage des soupapes , si siège défectueux….Donc, comme tu dis, il est préférable de commencer par la pompe.Mais démonter la pompe, dans mon cas, c’est pas une sinécure, pas de place. Donc j’hésite. J’aimerais tester la pompe avec un manomètre. Mais j’ai rien dans le manuel. Si je fais le joint de culasse, j’ai la moitié du boulot pour changer la pompe. Si je change simplement la pompe, j’estime 8h de boulot. Si ça marche pas je replonge pour 8h + 3 pour déposer la culasse.Si j’ai pas une donnée valable pour le débit ou la pression de la pompe, je préfère partir sur la culasse.Mais si tu as même une valeur approximative de la pression que je devrais avoir, JE SUIS PRENEUR!!!C’est facile à faire et peut éviter des recherches…·le 12 sept. 21:59
D2 Didier:En réalité, le vrai problème, c’est que sur les ports il y a beaucoup de soit disant professionnels, mais en réalité peu de compétence. J’ai demandé à un véritable professionnel de la stratification, 30 ans d’expérience à LGM, si il connaissait un bon mécanicien. Il m’a donné qu’un seul seul nom… GREG. Mais comme c’est le seul vraiment bon sur LGM , il n’a pas de disponibilité … J’ai demandé à d’autres. Mais rien que dans leurs analyses, ça m’a convaincu que je devais faire moi même.C’est comme ça dans le monde nautique dans le sud. Mais si quelqu’un a un contact, je suis preneur… Alors à défaut, je fais moi même. En même temps, je suis aussi mécano de formation. Mais j’encourage tout le monde à faire de même. Connaître son bateau n’a pas de prix. Alors n’hésite pas à partager vos expériences, à aider les nouveaux arrivants, et à participer à ce post ·le 12 sept. 23:15
Vue sur le château d'If  depuis les iles du Frioul    Méditerranée   France

Phare du monde

  • 4.5 (100)

Vue sur le château d'If depuis les iles du Frioul Méditerranée France

2022